JZC500 Drum concrete mixer
JZC500 drum concrete mixers are self falling type concrete mixing machine, are also known as gear type concrete mixer,Small Concrete Mixer. From the perspective of size, this type of mini concrete mixer is ideal for small to medium projects. For being equipped with double-conic reversing drum transited by gear rim. It is particularly suitable for circumstances like ordinary construction sites, road construction, bridge work and small-sized prefabricated-component factories etc.
JZC series jzc towable concrete mixer is suitable for mixing plastic and semi-dry & hard concrete with the max size of 60mm. Mixing is carried out when the mixing drum rotates in normal direction, and discharge is performed when the mixing drum rotates in reversed direction. The mixing drum can handle 0.35 -0.45cubic meters of concrete each time.
JZC series mixers are an auto unloading material cement mixer. While working, when it is working as clockwise, it is mixing, anti-clockwise it is unloading material. It can mix plasticity and semi-dry hard concrete. The mixing drum is drived by gear ring, its has many advantages such as steady running condition, easily operation, good quality of mixing and high capacity,running steady, operating easily, and good quality of mixing.
JZC series jzc towable concrete mixer could turn to be mobile types with wheels equipped. .
The Parameters of JZC500 Drum concrete mixer:
Specification |
Unit |
Value |
Discharging Volume |
L |
500 |
Charging Volume |
L |
800 |
Mixer Capacity |
m3 |
0.5 |
Lubrication System |
Brand |
Choosed |
Reducer |
Brand |
Choosed |
Aggregate Size |
mm |
60/80 |
Aggregate Compartments |
Quantity |
4 |
Working Circle |
S |
72 |
Mixer Motor Power |
KW |
11 |
Mixing Speed |
r/min |
15.7 |
Weight |
KG |
3100 |
Dimensions |
mm |
5226x2200x5460 |
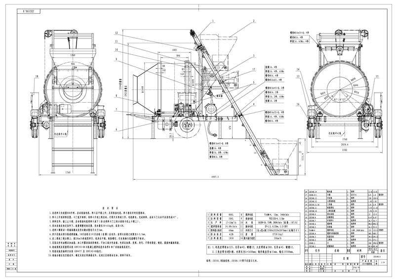
Sketch Map of JZC Concrete Mixer
The JZC Concrete Mixer machine consists of 14 parts: mixing mechanism, feeding mechanism, water supply system, chassis, walking, housing and electricity..
Technical Details:
The mixing mechanism is composed of mixing drum, supporting wheel and transmission system.The mixing drum is the working part of the mixer. The mixing barrel is biconical, and there are two high and low blades welded in the barrel. They are arranged cross-wise and have certain angles with the mixing barrel shaft. When the mixing drum rotates, the blade not only lifts and drops the material, but also makes the material move axially back and forth, so the mixing motion is relatively strong. The homogeneous concrete can be achieved by mixing for 40-50 seconds.
3.1 Agitator
In the inner part of the discharge cone of the mixing drum, a pair of discharge blades are welded to change the rotation direction of the mixing drum, and concrete is pushed from the low blade to the discharge blade and discharged out of the drum. The mixing drum is supported by four supporting wheels. The motor of the mixing drum rotates through the gear ring driven by the reducer. Therefore, it can work reliably in foggy and rainy weather.
The transmission system has a two-stage cylindrical gear reducer with a transmission ratio of 6.042, a triangular belt wheel speed ratio of 2.0714, a mixing drum gear ring speed ratio of 7.8333 and a total transmission ratio of 98.0368. The forward and reverse rotation of mixing drum is realized by motor commutation.
3.2 Feeding mechanism
The feeding mechanism consists of an upper hopper, a hoisting mechanism, an upper limit device, a feeding frame and a landing track .
The rise or fall of the hopper is controlled by the button on the distribution box, and the rise of the hopper is driven by the wire rope drum of the hoist. When the hopper is lifted to the unloading position, it collides with the lifting terminal stroke switch, the stroke switch operates, the winding motor is cut off, the brake is braked, and the hopper stops at the unloading position. After discharging, press the drop button, the winding motor reverses, and the hopper drops to the waiting position. [Note: The upper edge of hopper should not be overloaded.
3.3 Water supply system
The whole water supply system consists of motors, pumps and pipes. When the motor is electrified, the water is pumped directly into the mixing drum. The water required by the mixing drum is realized by directly controlling the running time of the pump motor through the time relay in the distribution box. The user can adjust the time relay number according to the flow of 3 kg/s according to the amount of water needed to mix each tank of concrete. When supplying water, press the pump start button. When the number returns to zero, the water supply circuit is automatically cut off, the water supply is finished, and the button switch is moved for flushing or recharging.
3.4 chassis
The chassis is welded with channel steel. There are two tyres under the chassis and a traction rod in front for towing. The four corners of the chassis are equipped with adjustable legs. When the mixer works, the legs are firmly supported to improve the stability of the machine. When a car tows, it is necessary to place its legs at the highest position and position them with a bolt. The end of the bolt is inserted into the crosspin (No. 8 wire is bent into a groove) in order to prevent the bolt from falling off due to vibration.
3.5 Electrical Part
The electric control schematic diagram of the machine (Fig. 7) realizes mixing, stopping, reversing, water supply of pump, stopping, flushing and lifting and dropping of hopper through the function button on the door of distribution box.
JZC500 Drum concrete mixer parts
About JZC500 Drum concrete mixer
Leble
concrete mixer manufacturers JS500 concrete mixer | cement mixer | cement mixer for sale | electric concrete mixer | Cement Mixing Machine | concrete batching plant | batching machine | gear type Concrete Mixer |














